Dick Mason's Electric Vehicle (EV) Conversion Project

Part 9  Post Completion Changes and Results

12/19/08 thru 2/10/09



This section is defined as "Post Completion" changes and results.  All this means is that I drew a line and said the truck is "complete", and this section is what happens after that.  Of course it is not really complete!  I need updated instrumentation, a heater, possible changes to the power steering, etc.

This is also where I will talk about the performance and endurance of the truck.

   
Changes to the Vacuum Pump

As soon as I started driving the truck, it was obvious I had to do something about the noise of the vacuum pump!  It was very loud and it ran often and long.  It really detracted from the enjoyment of driving my creation.

In researching my options I ran across another S-10 conversion where the owner had replaced their pump for the same reasons.  They used an MES-DEA pump from Metric Mind Corp. and were very happy with both the speed of pumping and the lack of noise.  The specs looked good.  The noise spec for my Gast pump was <70 dBA.  The MES-DEA was <58 dBA.  Being a logarithmic unit of measurement, the sound power doubles for every 3 dBA, so this is a very large 16 to 1 difference in the sound power!

MES-DEA is a Swiss manufacturer, and makes these pumps specifically for EV's.  They make two models, one with about the same pumping capacity as my old one, and one that is almost double.  Even though the small pump would have fit in place of mine with no problem, I chose the larger one.

I had lots of vertical clearance with the old pump installation.  Careful measurements showed that the new pump would interfere with the electronics board, when it  was raised, by almost 1/4 inch.

I decided to lower the flat plate on my mounting bracket by about 1/2 inch.  I could do this as the new pump contains its own solid state pressure switch.  By removing the old mechanical switch from the top of the reservoir, I had room for the lowered plate.  I heated and bent the plate downward, then heated and bent it back level so the plate was dropped about 1/2 inch.  I then welded a strip of 1 1/2 wide bar stock to make the plate larger.  The new pump mounted on this reworked plate very well and clears everything.

The results of the change are worth every penny the new (and expensive) pump cost.  When I turn on the ignition in the quiet garage, I hear a hum, somewhat like the electric fuel pumps on modern ICE cars.  When I am in an area with ambient noise, I cannot hear it!  My initial pump-down time decreased from about 35 seconds to less than 20.  This is not quite a fair comparison as I now also am pumping down the original truck vacuum reservoir and the plumbing for the heating and air conditioning vents.  I never had these hooked up before, and it would take less time without them.
 

The new pump on the bottom is about 2 inches taller than the old pump on the top.  It has just about twice the pumping power, but is much quieter.
The old mounting bracket was flat.
The bracket I modified for the new pump had the plate bent down about 1/2 inch, and 1 1/2 inches of additional steel welded to the end.
The new pump fits in almost like it was designed to, and has adequate clearance all around.

Initial Performance Impressions

I have read a lot of experiences from other converters and the general consensus for S-10 driving was that 2nd gear would handle just about all city driving up to about 45 MPH, and then 3rd gear would handle up to freeway speeds.  I was initially disappointed with the drop off in acceleration above about 35 MPH, after a very snappy start.  I have found that I need to shift to 3rd between 35 and 40 to be able to keep up with traffic.  Doing this results in a very satisfactory performance, and a new burst of acceleration when I shift.  Studying the motor performance curves, indicates that the torque really drops off at high motor speeds.  It appears that I will normally be driving below 3500 to 4000 RPM.

As of this date (12/22/08) I have about 63 miles on the converted truck.  I have started out driving very short distances and gradually increased the length each time.  This is both for the conditioning of the batteries and for my own peace of mind and confidence building.

My batteries are rated at 251 amp hours.  I plan to normally stay in the top 50% of the charge, but will occasionally allow up to an 80% discharge as an absolute limit.  My latest trip was a 17 mile round trip, up and down the Prescott hills, and was very successful.  I recharged when I got home and the batteries were fully charged in less than 4 hours at just under a 20 amp charge rate.  That tells me that I used about 75 amp hours of my 200 available.  If all is linear, this indicates that I might see a range of about 45 miles.

Disaster Strikes!

On December 28, on a fairly local drive, the truck just quit!  I coasted over to the side of the road and parked.  I tried to "start" it to no avail.  On one try, after turning the key to the start position, I got the "click" of the controller driven contactor and figured that maybe something had overheated and that it was now OK.  Wrong!  I made it about 6 feet and it died again.  I looked at the stock Chevy voltmeter for my 12 volt lighting battery, and the voltage was low.  I figured that the voltage must have dropped somehow to a point that the controller would not turn on.  It turned out that this was not the problem at all, but I was apparently blinded by the one bad item I saw.  I had all the clues in front of me, but I did not adequately process them.  

Finally, after getting a ride home, which was about 3 miles away, I went back armed with a meter, battery, wires, etc.  It only took a couple minutes with my meter to discover that I had an open in one of the rear battery packs.  I lifted the bed and rolled back the neoprene on the two front boxes and immediately discovered a melted insulation boot.  Under that boot was a melted battery terminal.

I unbolted the cables from that battery.  Of course, one of them was already pretty well unbolted.  I bolted the two cables together to bypass the damaged battery and proceeded to drive home without any further problems.  I don't know if there is any salvation for the damaged battery or not.  The terminal is severely damaged, but I am sure the battery itself is fine.  I may try casting the terminal back to a usable state.  More research is needed.  My first thought was to make an assembly of brass that clamped tightly to the portion of the terminal that is left and provided a bolt hole for the cable, but closer examination showed that the cross section at the bottom of the terminal is so small I am sure it would fail under high current.

One thing I learned from this is that I will never again travel, even very locally, without a meter, small jumper cables, my schematics, and some basic tools.  As it turned out, I did have my insulated battery wrenches with me, and I could have made the repair hours earlier if I had only read all the indicators correctly.  I was just too focused on the low 12 volt battery!


Ironically, I had just ordered additional meters from Ebay to monitor for exactly this sort of occurrence!  I will have a digital volt meter monitoring the voltage of batteries 1 through 10, and another monitoring 11 through 20.  If I see any significant difference between the two reading, something bad is starting to happen!  If I see one at the proper voltage, and the other at 0, it has already happened!  I also ordered one to accurately monitor the state of the 12 volt battery.

As to why the terminal melted, I can only draw one conclusion:  I failed to correctly tighten that terminal.  I thought I inspected every terminal after initially completing the assembly, but I must have missed this one.  One clue is that this terminal was one of the two that I left disconnected until I wanted to power up the whole battery pack.

Oh, well!  Onward and upward!

I got my first clue to the actual cause of the problem  when I saw this melted insulating boot.
Things didn't get any better when I removed the boot and the cable.  The terminal is in pretty sad shape!

Terminal Repair - Results: So So

To make a long story short, I was able to make a mold and re-cast the terminal.  In the process, I poured too much lead for the base and had to re-heat it to remove the excess.  This overheated the top surface of the battery housing, causing it to delaminate..  After finishing the casting of the terminal, which came out fine, I used several repair materials in sequence to try to properly seal the battery top.  The results look fine, and I continue to run the truck that way.






The fully repaired battery doesn't look bad at all!  The paint over the epoxy and roof sealant almost hides all the prior problems.  I think the color match I got by grabbing a Rustoleum can off the Walmart shelf is amazing!

This is my progress through January 2, 2009

Follow-up to Battery Fix

I installed the repaired battery in my truck this morning (1/3/09) and took it for a ride.  Performance was normal.  I took it to the bottom of a long upgrade and held the current at about 450 amps all the way up.  I then opened the bed and felt the terminal I had repaired and it was no warmer than the others.  This gives me confidence that I did not damage the internal connection to the battery plates in any way.  I seem to be back up and and running at full voltage now!

Further Follow Up 9/20/10

I raised the bed today in preparation for adding an additional 4 batteries, and found a lot of corrosion on the top of the repaired battery and on the battery hold down angle.  I am obviously leaking acid fumes through the area where I repaired the battery.  I have run this battery for almost 2 years after repairing it, so I don't feel too bad about replacing it now

Bed Clamp Down

The biggest annoyance I have been having since getting the truck running is the continual rattle of the bed as the truck drives over rough areas of the road.  I finally got around to solving this problem by designing and building a pair of clamps which lock the front of the bed down to the frame.

I looked into a wide variety of  clamp down designs and finally settled on a fairly simple concept.  I made a pair of swing arm clamps which rotate into position and clamp the bed down to the original bed mounting brackets.

. This is the clamp assembly.

The black is the bed structure, the top being the floor of the bed with the front hat section below it.

The violet is a doubler on the top surface of the hat section.  This assures a rigid member to clamp to.

The hatched red is the swinging clamp.  The hatched yellow is a piece of nylon attached to the clamp bar, which is my version of a nylock insert.   It gives a positive drag to make sure the bar swings with the bolt once the clamp is loosened.

The green is a plate that keeps the clamp from catching on the edge of the hat section and provides the positive stops.

In operation, the clamp bar is aligned along the fore/aft axis of the truck, and the bed is lowered. The clamp clears the mounting bracket on the way down. The bolt is now tightened, swinging the bar under the mounting bracket (blue) on the frame. Continuing to tighten the bolt tightly clamps the bottom of the hat section to the mounting bracket, firmly securing the front of the bed down to the frame.

My apologies to the draftsmen that see this for cross hatching direct views and not hatching sections. It just seemed to better highlight the important parts!
For a fairly simple clamping concept, it required quite a few parts.

This picture shows (top to bottom) a pair of spacers which hold the bolt head near the bed surface, one of the stop plates, the two swing clamps with their nylon friction blocks,  the doubler plates that are positioned inside the hat section, and the other stop plate.
I had to drill two holes in the bottom of the bed to access the bolts that activate the clamps.  

To actuate the clamps, I use a tee handle allen wrench.

This view is looking down over the left fender. The front of the bed is to the left, and the left side of the bed is at the bottom of the picture.  The hump in the floor is clearance for where the gas filler pipe used to run.
This shows the bed as it is clamped down.

The grey swing clamp is tightened against the bed mounting bracket.  To open the bed, loosening the bolt will loosen the clamp until it can swing by the friction of the nylon block.  After it swings to the other stop, clearing the bracket, the bed can be opened.

This view is looking straight up on the passenger side, with the cab to the left.

After I completed these clamps, it was wonderful to drive the truck without the constant rattle.  It was really very quiet.  The truck seems to be "tighter" now than it was when powered by the gasoline engine.

Additional Instrumentation

I decided to enhance the instrumentation package by adding an E-meter, digital voltmeters which monitor each half of the battery bank, and a digital voltmeter to indicate the status of the 12 volt battery.  The E-meter keeps track of all the current entering and leaving the battery pack and is in effect a fuel level meter.  It also has many other functions to assist in monitoring the battery bank.  The meters on the two halves of the battery pack are to make sure that there is no battery or connection going bad.  If something does start to fail, it will affect the voltage on only the half of the pack where the failure is.  By making sure that each half performs the same as the other, you are almost assured that things are OK.

Shunt installation

The first problem installing this additional equipment was installing another shunt in the main power circuit.  The E-meter requires a current shunt which monitors all the current going into and out from the batteries.  It must be the only thing attached to the negative terminal of the battery pack with all the connections made to the other end of the shunt.  The only logical place to connect this is directly on the battery.  The original cable going to the electronics board is easy to connect to the shunt instead of the battery.  Connecting the battery terminal to the shunt is a problem.  They are located so close that a standard cable cannot be fit in.

This is my most negative battery (battery #1).  I need to install the new shunt between the battery terminal and the black battery cable (and smaller charger cable).  As you can see, there is not much room!


I decided to make a copper strap to do the connection, but have no good local source of copper bar.  I decided to make my own from copper plumbing pipe.  I took several lengths of 1/2 inch hard copper pipe and softened them by annealing.  I now flattened them forming copper bars about 1/16 inch thick and 1 inch wide.  

To get the current capacity I wanted, I decided to stack three of these bars.  This gives me a cross sectional area slightly greater than the 2/0 cable I have been using.

I have made three soft copper straps by annealing hard copper pipe and then flattening them.  I did this by heating the copper to a dull red glow and letting it cool.  This makes the copper dead soft.  I then totally flattened the pipe into 1/16 x 1 inch bars, which I formed into nesting arcs..
I then nested the three strips and soldered the two ends.  I did this to minimize contact resistance.  Leaving the middle part of the strips loose allows much better flexibility.
The shunt is installed.  The cables  removed from the battery terminal are now on the close end of the shunt.  The fabricated copper strap then connects the other end of the shunt to the battery.

The screws on the top of the shunt blocks are where the signal leads to the meter will be connected.

I still need to make an insulating boot of some type to cover the shunt, strap, and battery terminal.

This is my progress through 1/16/09

Gauge Pod

My temporary location for the voltmeter and the ammeter has not worked out too well.  It is too low and is hidden by the steering wheel when in a normal driving position.  (That is why it was temporary!)  My plan is to now mount these two gauges and my new E-meter in a mounting pod on the left windshield post.  This should make the meters much easier to see without taking my eyes off the road.  I bought the pod from a specialty vendor who had a design for my specific truck model.

There were many, many wires to run up through the existing windshield post.  Most come from the center of the dash where the meters were temporarily mounted, but some come through the firewall from under the hood, and some from behind the driver's seat.  I made access and clearance holes in the original post cover, which remains.  The new pod mounts to the original post cover.  I managed to get all the required wires into the clear space behind the post cover.



This is the original post cover with access and clearance holes added.  Over half the wires are in place in this picture.

The voltmeter and ammeter are very short gauges and only needed a small hole for the wire access.  The E-meter, which mounts in the bottom hole, is long enough that I needed a small amount of additional clearance behind it.  That is why the bottom hole is so large.

The wiring has been finished and the pod installed.  The white tubular devices with red on the end are the meter lights for the voltmeter and the ammeter.

There are quite a few wires for the E-meter.  Not seen in the E-meter hole is the DC to DC converter which isolates the 12 volt power from the regular 12 volt system.
The E-meter has been wired and is ready to be installed into its opening.  In the back of the cavity, you can see the DC-DC converter (with the yellow shrink sleeve).
Here the gauges are installed and ready for use once all the wires still hanging under the dash are properly connected.

I spent a lot of time trying to figure out a good way to fasten the gauges in the pod.  The clearance around the guages is not adequate for the standard mounts.  After I removed the ammeter and voltmeter from their temporary mount, I discoved that they are "push fits" into the holes and really don't need any more support.  I wrapped electrical tape around the front of the E-meter until it was also a push fit.  This simplified life tremendously as I was then able to wire the meters outside the mounted pod and then just push them into their holes.

The standard E-meter is good for monitoring a maximum of 50 volts..  For EV use with much higher voltages, the company makes a prescaler to allow it to operate up to 500 volts.  I decided to mount the prescaler in my charger meter box, as there is room for it, the electrical input connections I need are right there, and it gets it out of the way.  I also mounted three fuseholders for the input to the prescaler and for the 60 volt tap I need for my digital meter pack.

After completing the installation, I was reading on the Xantrex website where they warn you to connect the negitive input lead of the prescaler directly to the load end of the shunt.  They caution that breaking this circuit while drawing significant current could destroy the Link 10 E-meter.  As I have a fuse in that line, and where it is connected, unplugging the charger from the batteries would also open this circuit, I realized I could not leave it like it is.  (I could not find any similar warning in the installation section of the manual they sent me!)

I solved the problem by pulling the negative lead from its fuseholder, running a new wire from the meter box up through the cab, through the firewall and to the shunt.  This wire now connects the prescaler the way they insist upon.  In retrospect, I probably would have found a place for the prescaler either under the dash or in the engine compartment had I realized this limitation, but all the wires are now run and I will leave it.  I then finished wiring the other parts of the system and checked everything out.  It all works!

I mounted the prescaler and the 3 fuseholders in the DC compartment of my charger monitoring meter box.

The prescaler is the black object on the back wall of the front compartment.  I ran more wires than I had planned the length of the cab. These wires run in the barely visible loom at the lower right corner of the pictue.

Since taking this picture, I have removed all wires from the left hand fuseholder and now use it as a spare.

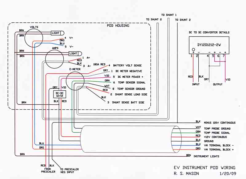
I have included wiring diagrams to show just how the various gauges are connected:  I have also gone back to sections 6 and 7 and updated the High Voltage,the Low Voltage, and the Charger Meter Box Schematics to show the modifications needed for these added instruments.
.

This diagram shows the wiring for the gauges installed on the windshield post.  The voltmeter and the ammeter were just moved from their temporary locations with the wires extended.  The E-meter involves quite a bit more wiring.  The 6 conductor cable shown at the bottom goes to the center of the dash where the digital voltmeters will be located.  Some conductors will be feeding these meters, others will be picking up required external circuits, and some will do both.

The three prescaler wires at the bottom are routed under the door base molding back to the charger meter box.

Battery monitoring digital meters

Below is the diagram for the digital meters I installed to keep tabs on my battery condition.   I had originally planned on a three meter package with a separate meter for each half of the traction battery pack plus one for 12 volts, with all three meters turning on with the ignition.  I decided to go with a somewhat simpler switched two meter system, one for high voltage, and one for low.  This made the packaging much easier and solved a couple of potential problems I have been concerned about.  This implementation leaves all the power off the meters unless the switches are specifically turned on.  I now don't need to worry about having excess brightness at night or leaving power on the meter leads at all times.  I will also have better accuracy as the two halves of the battery pack are measured with the same meter, not two that might be calibrated slightly differently.
.
This is the connection diagram for the other end of the cable and the digital voltmeters.  The first meter will allow me to compare the voltage of the first 10 batteries with the second ten by selecting the bank with the 4PDT switch.  Any differences will be a sign of problems developing.  The second meter monitors the 12 volt lighting battery.
.
The meters and their switches are mounted on a 1/4 inch thick fiberboard panel which mounts on a piece of 2 x 4 which is hogged out for clearance.

The small black chip with the yellow shrink sleeving is the isolated DC to DC converter which supplies the working power for the high voltage meter.  The low voltage meter only has 2 leads and is powered by the circuit it is measuring.


The assembled meter housing totally encloses all the wiring.

The left hand meter reads either the upper or the lower string of 10 batteries as selected by the 3 position switch above it. (Center is off.)

The right hand meter reads the 12 volt battery voltage whenever the switch above it is on.  This allows checking the battery at rest or with the main DC to DC converter charging it.

The light in the center is the motor overheat warning light, which flashes between red and blue when lit.  (The LED came that way!)
I mounted the meter assembly on an aluminum strap which attaches to the dash using a couple of the original screw holes.

As I will only use these meters on an occasional basis, the low mounting should not be a problem.

To go to the next section, click here

<BACK>

  
Dick Mason, Prescott, AZ  2/11/09