Dick Mason's Electric Vehicle (EV) Conversion Project

Part 7  Additional Electronics Installation (Instrumentation, Charger)

10/17/08 thru 11/6/08


The work in this section was done as time was available during the previously described tasks.  For clarity, it is written up here as though it was done totally separately.

Temporary Instrument Mounting

I eventually hope to mount my electrical monitoring instrumentation in the original truck instrument package.  As I am starting out with only the most essential instruments, measuring the battery voltage and the battery current, I decided to mount them temporarily until I have decided what I my final configuration will be.

I used a piece of 2 x 4 and bored holes for the meters and band sawed the outside to an oval shape.  I made a back plate (needed because of the high voltage on the voltmeter) from some composition 1 x 4.
 

I hope to eventually mount the battery monitoring gages in the main console, but decided to make a temporary mounting for now.

I started with a piece of 2 x 4 and carved it to the shape shown here and in the next picture.  I then made a back cap.

This shows the back sides of the two pieces.  The back is pin located using a couple of cut off nails, and held by two wood screws.
I have assembled my voltmeter and ammeter into the housing.
The housing was installed by removing one of the original panel holding screws and replacing it with a much longer one that goes through about half the height of the gage housing.

Battery Charger Installation

The battery charger does not mount on the board, but behind the driver's seat.  I removed the carpeting from the rear wall of the cab and drilled holes in line with the mounting holes of the charger.  I installed bolts that are sealed with neoprene washers on the outside and a nut inside.  The charger will slip over the bolts and be retained with lock nuts.  I plan to cut the carpet as little as possible to allow me to complete the mounting

The bottom bolts were quite a problem, as they came out at about the center height of the front battery box support cross member.  I had to unbolt this bar and lower the front of the battery boxes using a jack.  This allowed access the these holes.  Once the bolts were in and tightly sealed, I re-bolted the cross member.  This was quite a task as the weight of the batteries made it very hard to get the holes properly lined up.
 

I drilled holes and installed bolts to mount the battery charger behind the truck seat.  The charger will fit over these bolts and fasten with lock nuts.
The bolts were each sealed with a neoprene washer on the outside.

Unfortunately, the bottom two bolt holes came out right in line with the front battery box support bar.  To install these, I had to unbolt the bar and briefly lower it about an inch using a hydraulic jack.

The charger, a Manzanita PF-20, is the best unit I have found. It is also about the most expensive.  There are several advantages to it: 

1.  It is power factor corrected.  This means that it is more efficient and uses less electricity to charge my batteries. 

2.  It operates from 110 v or 220 volts without any adjustments (actually, it can operate anywhere from 60 to 250 volts at 50 or 60 Hz)..  I can charge at the maximum rate at home using a special outlet, yet still take advantage of any outlet that is offered to me.

3.  It contains a "Throttle control", which is a knob that controls how much current it produces and also how much it draws from the line.  This allows its use on a low capacity source by reducing the charge rate.

4.  It is adjustable from 12 volts to 450 volts output.  This means that if I change the battery voltage on my truck, or keep the charger for a future vehicle, I can just re-adjust the voltage and use it.  On every other brand I researched, I would have to buy a new charger for a new voltage.

5.  It has an excellent reputation in the industry.
 

The charger is mounted.  To preserve appearances, I cut a slit in the carpet for the top flange, along with clearance holes for the nuts.  On the bottom, I just cut out a rectangle the size of the mounting flange.

It would have been easier to just mount it through the carpet, but as I am quite tight on clearance to the seat back, I wanted it to mount as close to the rear wall as practical.

This is a close up of the charger panel.  It shows some of the adjustments available.

After the initial setup, the only control that will be used normally is the knob.  This "throttle control" adjust how much charging current the unit provides, along with how much current it will draw from the line.  This is useful if a friend lets you plug in, but his source is limited in capacity.

Charger Interconnections

My next project is to finish the charger installation.  I decided to connect the charger directly to the battery pack, instead of the electronics board as I first had planned.  The charger manual repeats several times to never operate the charger without a load.  If I connect to the electronics board, there is much more chance of having a connector unplugged.  Connecting directly to the batteries through two heavy fuses should help minimize the risk.  The fuses are rated well above the charger output, and should be purely disaster prevention devices.
 

 

I had to get somewhat creative to install the charger fuse.  I found a cartridge fuse with adequate ratings, but no way to connect it.
Here you can see how I did it.  I used small stainless hose clamps to clamp a lug to each end of the fuse.  The assembly fits snugly in a piece of the same vinyl tubing I used to protect the high current battery cables along the frame.

I installed one of these fuses at each charger connection to the batteries.

Charger Meter Box

I had decided to fully monitor what the charger is doing during charging.  To this end I ordered 3 low cost digital panel meters from an Ebay seller in China.  These will monitor the AC current the charger is drawing, and the DC voltage and current it is producing.  I felt there was really no need to monitor the incoming voltage.  It should be either 115 or 230 volts, and I really don't care about the exact level.

There is one main "gotcha!" with these meters.  They are each powered by a 9.5 to 12 volt AC or DC source.  This power must be totally isolated from the circuit being measured and from the power supplies to the two other meters.  Each meter must have its own isolated power source.

My first thought was to see if I could find 3 switching "wall transformer" power supplies that produced an output in my voltage range.  The local Habitat for Humanity thrift shop has a large carton of these power supplies.  My first observation was that most were for cell phones and had an output between 3 and 5 volts.  I wanted to limit my search to switching type supplies, as most of them will handle an input of either 115 or 230 volts without any change.  I want to power everything from the line cord I use to charge the car, as any other method would be unduly complex.

What I ended up finding were 3 almost identical power supplies that were labeled as having an output of 5-11 volts.  I didn't know just what that meant, but I bought them at $1 each.  What I found was that two of them output about 5.4 volts, and the third 6.4 volts.  Apparently there is a way to adjust the voltage at the manufacturing stage.  I tried comparing component values between the two different voltage models, but could not appreciably raise the voltage by further changing the parts that were different, so I did the logical thing:  I gave up!

I then ordered 3 DC to DC converters from the same outfit in China.  These are very small modules that accept 10 to 16 volts in, and supply 12 volts - totally isolated - out.  The vendor gave me a 30% discount and they cost me $7 each with free shipping.  OK, now I have a way to turn 12 volts into 3 isolated 12 volt supplies.  Where is the original 12 volts?  I did not want to use the truck 12 volt battery, as this would be a nasty wiring and switching problem.  I decided to use two of the "wall wart" units I bought and hook them in series.  5.4 volts plus 6.4 volts is 11.8 volts.  This is well in my range.  In addition, I can use the output of these supplies directly with one meter (it is already isolated), and use the DC to DC converters with the other two.  This leaves me a spare.
 

. This is one of my new power supplies after I removed the two prongs that originally plugged into the wall, and added my own input and output wires.

I was originally going to use standard AC wiring boxes to make all the AC and DC connections and to hold the shunts for the ammeters, with a separate smaller box on the charger case to hold the meters themselves.  Once I received the meters and shunts, I found the shunts would not fit in any standard box I could find.  I had bought a 6 x 6 x 4 heavy plastic box with a lid earlier in the project for an idea that did not pan out.  This was ideal for mounting all the connections, power supplies, shunts, and the meters.  It would also fit on the ledge behind the driver's seat just like the charger, holding the meters in an easily viewable position.

I machined cutouts in the lid for the 3 meters, and very laboriously managed to hand cut 4 grooves down the side walls of the box to help support two dividers.  I want separate compartments for the AC shunt and interconnections, the meter power supplies, and the DC shunt and interconnections.  I made walls that came up 3/4 of the height of the box, allowing plenty of room for the power supply and meter connections above them.
 

I have machined the openings for the meters and installed them in the lid.

The top meter is AC amps, and the next two are the DC volts and DC amps.

The back side of the lid shows the meter electronics.  They each connect with 4 wires.  Two for an isolated power supply and two for the measurement value.
I have had a short 3 inch length, of a thick, precision ground saw blade kicking around my shop since I can remember.  I have never used it for anything except occasionally as a spacer.

I used this 1/16 thick saw blade to hand cut 4 grooves in the walls of the box.  (This was a real pain, figuratively and literally!)  These align and help support two divider walls that I installed using PVC solvent cement. 

The center compartment will hold the two ac power supplies and the two DC to DC converters.  The other two will each mount a shunt and the wire connections for the AC in and for the DC out of the charger.

The two ammeters I bought each came with a shunt.  This is in series with the load and carries the full current.  Two small wires attach between the shunt and the meter, and carry almost no current at a maximum of 75 millivolts.

The shunts are almost 5 inches long and would not fit in any standard electrical boxes.

My DC to DC converters finally arrived!  They are really tiny!  Here one is shown next to a dime for size reference.

Now I can finish wiring the meter box.

I mounted my plug-in-cord through a sealing bushing in the back wall of the cab.  The wire comes out on the inside directly into the meter box.

Right now I have a 20 amp 115 volt plug on the end of the cord (not shown), but after I remount the bed, the cable will run to the gas filler door where I will have a fixed plug.  The rest of the cable will be an extension cord for this plug and an adapter to convert from the eventual 3 prong twist lock plug for 230 volts to a 115 volt conventional plug.

The meter box is mounted in the truck and fully wired.  The three pigtails with the white connectors plug into the meters when I mount the lid.
Here is the finished installation.  I am actually charging my batteries here at the maximum rate I can on 115 v.  At 230 volts I should be able to charge at a full 20 amps.

The top meter is AC amps showing the current I am drawing from the line.  The middle and bottom are, DC volts, and DC amps showing what I am actually putting into the batteries..

The gray connector at the bottom lets me unplug the charging system from my battery bank.

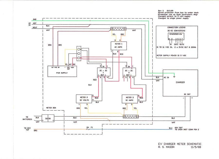
This is the schematic of my finished meter box.

Note of 2/6/09:  This schematic has been updated from the original to show the inclusion of the E-meter prescaler and other wiring changes needed for the instrumentation added after this original build.

Note of 9/26/09:  The schematic has again been updated to remove the E-meter prescaler and to change to LED type meters after an unknown event destroyed 2 of the original meters and a dc-dc converter.  See EV section 10 for details.


 

To go the the next section, click here.

<BACK>

 
Dick Mason, Prescott, AZ  10/14/08